Project MaVen
Research
News
Publications
Team
Contact
Explore the frontier of heart regeneration with our latest breakthroughs.
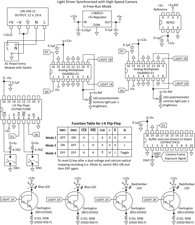
Alibhai et al.
Protocol for dual-optical mapping of voltage and calcium sensors in human pluripotent stem cell-derived cardiomyocytes
Tirgar et al.
Heart-on-a-Miniscope: A Miniaturized Solution for Electrophysiological Drug Screening in Cardiac Organoids
Coulter Montague et al.
Human pluripotent stem cell-based cardiac repair: Lessons learned and challenges ahead
Get Involved